Description
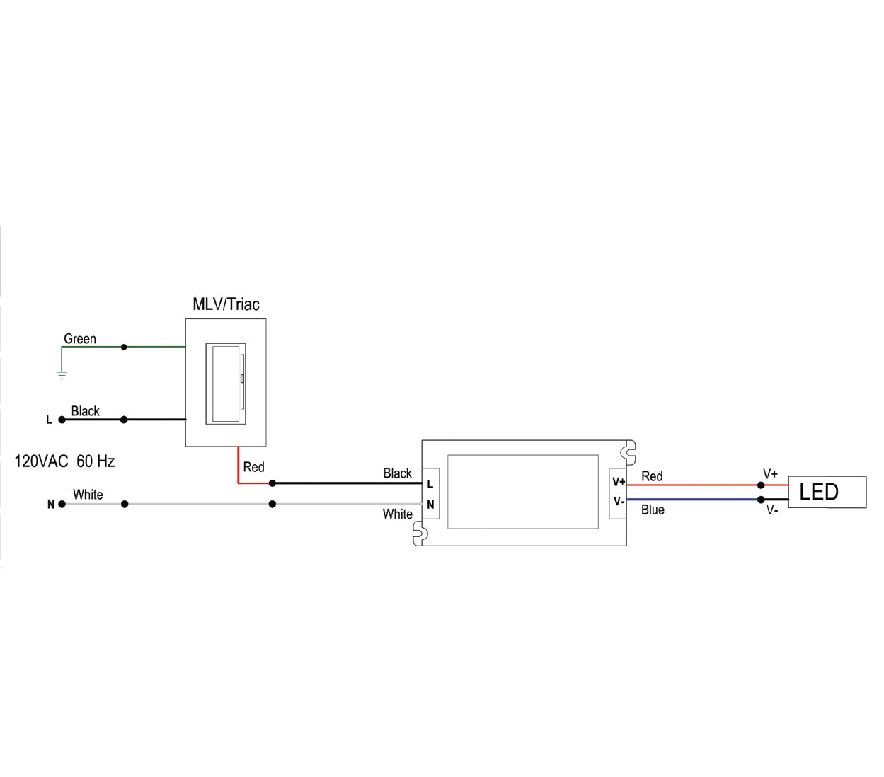
Compact (3.31x1.57x0.98 inch (L*W*H)) UL-certified dimmable transformers (LED Driver) compatible with Triac/ ELV/ MLV dimming. Suitable for dry and damp locations and fits in a 4" Junction box. AC input 100-130Vac and 88% efficiency with short circuit protection.
Input: 100-130 V AC, 0.7A, 50/60Hz
Output: 24V DC, 2.5A, 60W, PF>
Feature:
|
Dimming: Triac/ ELV/ MLV dimming |
|
Dimming 0-100% |
|
UL / FCC / ICES-005 / Class P / Class 2 / TYPE HL / SELV / ROHS / REACH |
|
Damp and dry location |
|
100-130Vac input |
|
Build in active PFC, typical power factor=0.94 |
|
THD<20%@120V Max. load |
|
Constant voltage type |
|
Small size: 3.31x1.57x0.98 inch (L*W*H) |
|
Super low loading request works perfect at 20-100% load. |
|
Short-circuit, over-load protection. |
|
Compatible with popular dimmers in the market, Lutron-CL, Diva series |





