Description
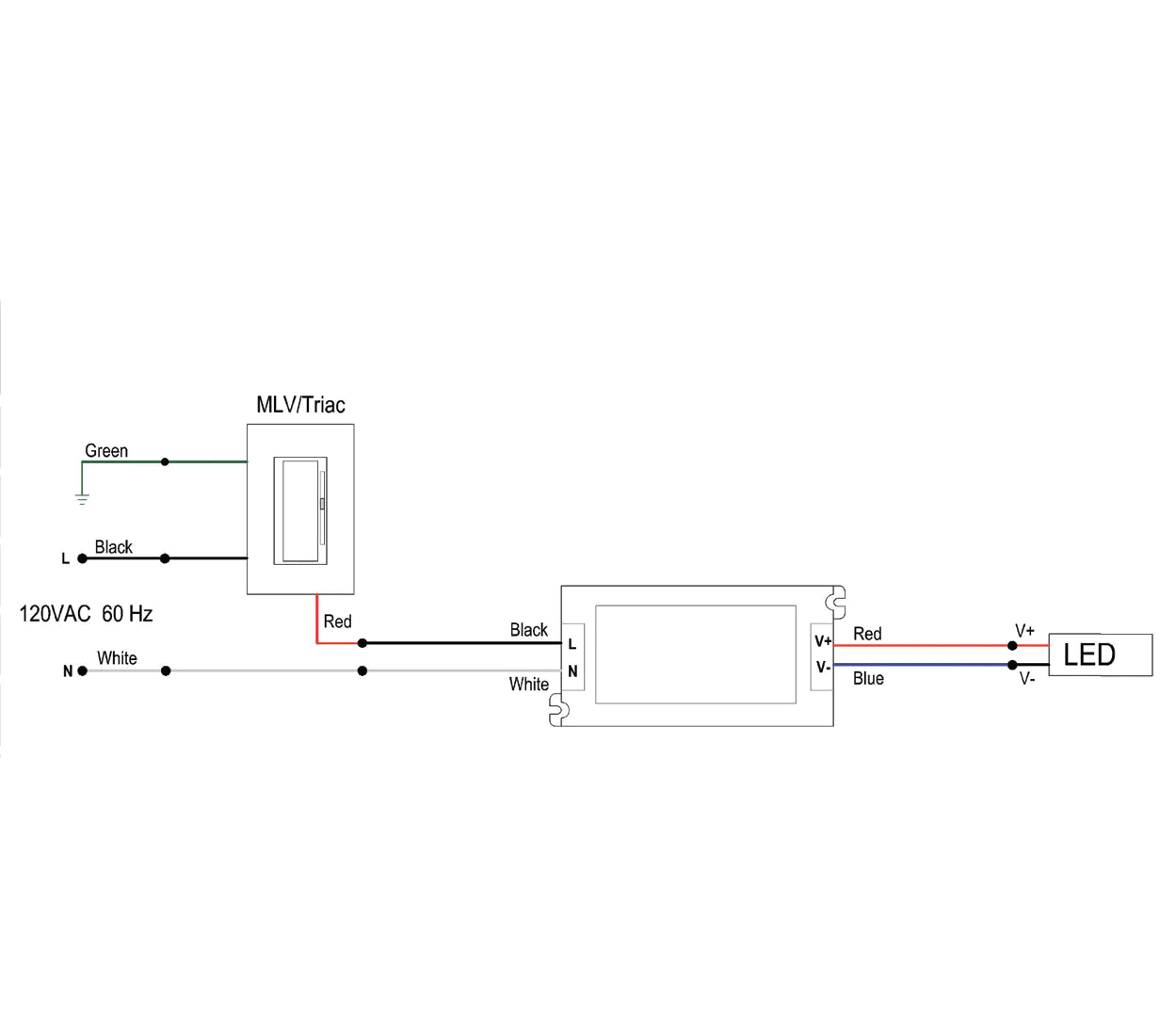
This 24V 96W constant voltage electronic transformer, engineered for precision LED lighting systems in both residential and commercial applications. It supports smooth dimming (0–100%) via TRIAC, ELV, or MLV wall dimmers, including compatibility with major brands like Lutron Diva, CL, and Leviton series.
With a compact body (3.31" length) and Class 2 output, this transformer is an ideal solution for tight-space installations. It includes short-circuit and overload protection (auto-recovery), and operates reliably from 20% to 100% load. Rated for dry and damp locations, it's built for professional lighting projects.
🔧 Specifications:
-
Output Voltage: 24V DC
-
Output Power: 96W
-
Output Current: 4.0A
-
Input Voltage: 120V AC
- Dimming Range: 0% – 100%
-
Frequency: 50/60Hz
-
Efficiency: 88% @ full load
-
Power Factor: > 0.95
-
THD: < 20% @ 100% load
-
Voltage Tolerance: ±1.5V
-
Leakage Current: < 0.5mA @ 120V
-
Load Range: Operates from 20–100%
-
Protections:
-
Short Circuit – auto-recovery (hiccup mode)
-
Overload – auto-recovery (hiccup mode)
-
-
Working Temp: -40°C to +60°C
-
Humidity: 20–95% RH (non-condensing)
-
Certifications: UL, FCC, ICES-005, Class P, Class 2, Type HL, SELV, RoHS, REACH
-
Enclosure Rating: Dry and Damp Locations
-
Dimensions: 84 × 40 × 25 mm (3.31" × 1.57" × 0.98")
-
Weight: 0.375 lbs
🔌 Wiring:
-
Input (120V AC):
-
Black (Live) – 18 AWG
-
White (Neutral) – 18 AWG
-
-
Output (24V DC):
-
Red (V+) – 18 AWG
-
Black (V–) – 18 AWG
-
⚡ Typical Applications:
-
24V LED strip and tape lighting
-
Commercial and architectural linear lighting
-
Display, cabinet, and signage lighting
-
Indoor retrofits and OEM lighting assemblies
-
Tight-space installs requiring Class 2 compliance
🔹 Model / Part:
BNPS24ET‑96W





